電流的產生離不開電壓和電阻,最簡單的恒流結構就可以利用固定電壓和固定電阻來產生,比如二極管的導通電壓基本固定,配合電阻就可以產生最簡單的恒流源結構。
恒流源電路工作原理
恒流源由信號源和電壓控制電流源(VCCS)兩部分組成。正弦信號源采用直接數字頻率合成(DDS)技術,即以一定頻率連續從EPROM中讀取正弦采樣數據,經D/A轉換并濾波后產生EIT所需的正弦信號。
恒流恒壓電源內部有兩個控制單元,一個是穩壓控制單元,在負載發生變化的情況下,努力使輸出電壓保持穩定,前提是輸出電流必須小于預先設定的恒流值。
實際上在恒壓狀態時,恒流控制單元處于休止狀態,它不干擾輸出電壓和輸出電流。一種是恒流狀態,按照恒流電源的特征在工作。恒壓恒流電源指既有恒壓控制部件,又具有恒流控制部件的電源。
恒流源電路概念
恒流源電路(電流反射鏡電路)
恒流源是輸出電流保持恒定的電流源,而理想的恒流源應該具有以下特點:
a)不因負載(輸出電壓)變化而改變;
b)不因環境溫度變化而改變;
c)內阻為無限大(以使其電流可以全部流出到外面);
能夠提供恒定電流的電路即為恒流源電路,又稱為電流反射鏡電路。
基本的恒流源電路主要是由輸入級和輸出級構成,輸入級提供參考電流,輸出級輸出需要的恒定電流。
恒流源電路就是要能夠提供一個穩定的電流以保證其它電路穩定工作的基礎。即要求恒流源電路輸出恒定電流,因此作為輸出級的器件應該是具有飽和輸出電流的伏安特性。這可以采用工作于輸出電流飽和狀態的BJT或者MOSFET來實現。
為了保證輸出晶體管的電流穩定,就必須要滿足兩個條件:a)其輸入電壓要穩定——輸入級需要是恒壓源;b)輸出晶體管的輸出電阻盡量大(最好是無窮大)——輸出級需要是恒流源。


基本恒流源電路圖
恒流源電路設計分享
1.穩壓二極管恒流電路
首先是單個三極管做到的穩壓二極管恒流電路,該恒流電路主要是運用了穩壓二極管上的電壓較穩定特性,以及三極管Vbe的穩定性,組成的恒流電路。優點是成本低,電流可調,缺點是溫度特性差,穩流精度不高,適用于對精度要求不高的場合。


在穩壓二極管的恒流電路中,三極管Q1的基級電壓被限定在穩壓二極管D1的工作穩定電壓Ud下,那么電阻R3占用的電壓等于Uzd減去三極管基級與發射級的導通壓降0.7V,即U=Ud-0.7保持恒定不變,所以流過電阻R3的電流保持不變,即使在VCC電源可變或者負載阻值發生變化的條件下也是固定不變,也就是R1負載的電流保持不變,達到恒流的目的。
2.壓控恒流源電路設計
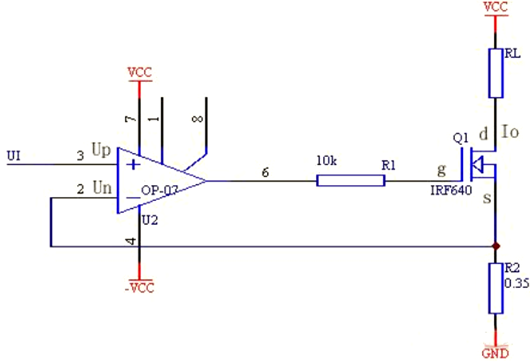
壓控恒流源是系統的重要組成部分,它的功能是用電壓來控制電流的變化,由于系統對輸出電流大小和精度的要求比較高,所以選好壓控恒流源電路顯得特別重要。采用如下電路:電路原理圖如圖所示。該恒流源電路由運算放大器、大功率場效應管Q1、采樣電阻R2、負載電阻RL等組成1、硬件設計。


電路中調整管采用大功率場效應管。采用場效應管,更易于實現電壓線性控制電流,既能滿足輸出電流最大達到2A的要求,也能較好地實現電壓近似線性地控制電流。
因為當場效應管工作于飽和區時,漏電流Id近似為電壓Ugs控制的電流。即當Ud為常數時,滿足:Id=f(Ugs),只要Ugs不變,Id就不變。
在此電路中,R2為取樣電阻,采用康銅絲繞制(阻值隨溫度的變化較?。?,阻值為0.35歐。運放采用OP-07作為電壓跟隨器, UI=Up=Un,場效應管Id=Is(柵極電流相對很小,可忽略不計) 所以Io=Is= Un/R2= UI/R2。
正因為Io=UI/R2,電路輸入電壓UI控制電流Io,即Io不隨RL的變化而變化, 從而實現壓控恒流。同時,由設計要求可知:由于輸出電壓變化的范圍U〈=10V,Iomax=2A,可以得出負載電阻RLmax=5歐。
〈烜芯微/XXW〉專業制造二極管,三極管,MOS管,橋堆等,20年,工廠直銷省20%,上萬家電路電器生產企業選用,專業的工程師幫您穩定好每一批產品,如果您有遇到什么需要幫助解決的,可以直接聯系下方的聯系號碼或加QQ/微信,由我們的銷售經理給您精準的報價以及產品介紹
聯系號碼:18923864027(同微信)
QQ:709211280

